[Top]

Raspberry Pi 用 SSD1306 表示器, LED, スイッチ基板

First of all

Raspberry Pi とのスタック時のスペーサーについて
ご使用の際は表示器および DIPSW の保護シートを剥してください
ディップスイッチの切り換え時, 切り換えが堅いので怪我には気を付けてください.
連結コネクタとスペーサーは別途ご購入ください.

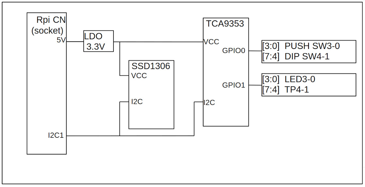
Specifications

  • SSD1306 表示器
  • 表示エリア: 128 x 64 ドット
  • プッシュスイッチ: 4 個
  • ディップスイッチ: 4 個
  • LED: 4 個
  • Raspberry Pi I2C bus 番号: 1 番 (pin1, pin3)
  • SSD1306 I2C アドレス: 7'h3c
  • GPIOエキスパンダ I2C アドレス: 7'h20 (7'h20 - 7'h27 に変更可能)
  • 電源供給: Raspberry Pi から供給
  • 電源電圧: 5V 100mA (最大)
  • 基板サイズ: 85 x 56 mm
  • Documents

    製品説明書 JP

    Schematics

    Firmware


    Configuration files

    Examples (code, setup, etc)

     
    Rpi-SSD1306-SystemDisp.py基板確認用 code, CPU ロードやディスク使用量などの system 系の値を表示 (Ubuntu)

    Purchase